Hướng Dẫn Cài Đặt Biến Tần Inverter Delixi CDI
Cài Đặt Thông số cơ bản:
– P5.0.19 = 19 Reset về mặc định nhà máy
– P0.0.02 = 0 Chức năng V/f
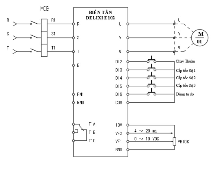
– P0.0.03 = 1 Chọn RUN/STOP từ terminal; P0.0.03 = 0: Keypad (RUN / STOP)
– P0.0.04 = 03 Chọn nguồn đặt tốc độ bằng biến trở ngoài kênh VF1; P0.0.04 = 00:
Bằng bàn phím(△/▽); P0.0.04 = 02: Bằng biến trở trên bàn phím
– P0.0.06 = 00 Thay đổi chiều quay, P0.0.06 = 0 quay thuận, P0.0.06 = 01 quay nghịch
– P0.0.07 = 50.00 Hz Tần số Max, phải đặt lớn hơn hoặc bằng tần số định mức của motor.
– P0.0.08 = 50.00 Hz Tần số chặn trên.
– P0.0.11 = … Giây Thời gian tăng tốc (thời gian từ 0Hz đến tần số max).
– P0.0.12 = … Giây Thời gian giảm tốc (thắng động năng từ tần số max về 0Hz).
– P2.0.01 = 1 Chức năng DI2: Chạy thuận
– P2.0.02 = 2 Chức năng DI3: Chạy nghịch
Cài Đặt Thông Số Motor (xem trên nhãn motor):
– P0.0.14 = … KW Công suất định mức của motor.
– P0.0.15 = … Hz Tần số định mức của motor.
– P0.0.16 = … V Điện áp định mức của motor.
– P0.0.17 = … A Cường độ dòng điện định mức của motor.
– P0.0.18 = … RPM Tốc độ định mức của motor.
Ví Dụ: Vào thông số P5.0.19 = 19 trả về mặc định nhà sản xuất
– Màn hình hiển thị tần số ví dụ 50.00
– Nhấn MODE – Màn hình hiển thị P0.0.00 – Số 0 bên phải nhấp nháy
– Nhấn “>>” mũi tên chuyển cho vị trí số 0 đầu tiên nhấp nháy – Sau đó nhấn “△” mũi tên lên
5 – Màn hình hiển thị P5.0.00
– Nhấn ‘’>>” mũi tên chuyển cho vị trí số 0 kế cuối nhấp nháy – Sau đó nhấn “△”mũi tên lên 1 –
Màn hình hiển thị P5.0.10
– Nhấn ‘’>>” mũi tên chuyển cho vị trí số 0 cuối nhấp nháy – Sau đó nhấn “△”mũi tên lên 9 – Màn
hình hiển thị P5.0.19
– Nhấn “Enter” để vào thông số – Màn hình hiện thị 0 – Sau đónhấn “△”mũi tên lên 19 – Sau đóta
nhấn “Enter” để lưu thông số – Màn hình hiển thị P5.0.20
– Để thoát ra ban đầu ta nhấn MODE
Lưu ý:
– Phím MODE để vào thông số và thoát ra khỏi thông số
– Phím ENTER để vào thông số vàlưu thông số khi thay đổi giá trị
– Phím JOG dùng để thử máy chạy nhấp tần số 2.00 Hz
– Phím “△” tăng giá trị
– Phím “▽” giảm giá trị
– Phím “>>” chuyển giá trị muốn thay đổi hoặc chuyển thông số hiển thị
– Phím RUN điều khiển lệnh chạy trên bàn phím
– Phím STOP điều khiển dừng lệnh chạy trên bàn phìm
– Volume màn hình để thay đổi tần số khi cài đặt theo chế độ volume
– Đèn FWD hiển thị chiều thuận
– Đèn JOG hiển thị trạng thái chạy nhấp, thử máy 2.00Hz
– Đèn Run báo trạng thái chạy
– Đèn V báo điện áp
– Đèn A báo ampe motor
– Đèn Hz báo tần số
Danh mục
- Thiết Bị Điện Thông Minh
-
Thiết Bị Điện Đóng Cắt
- CB Cóc Đen
- Hộp Cầu Dao Cách Ly
- Bộ Chuyển Đổi Nguồn Điện MTS
- Bộ Chuyển Đổi Nguồn Điện ATS
- Aptomat Chống Giật ELCB
- Aptomat Chống Giật RCBO
- Aptomat Chống Rò RCCB
- Aptomat MCCB Khối
- Aptomat MCB Tép
- Máy Cắt Không Khí ACB
- Máy Cắt Chân Không VCB
- CB Từ Motor Starter
- Khởi Động Từ Contactor
- Rờ le Trung Gian Relay Kiếng
- Rờ Le Bán Dẫn
- Cầu Dao Đảo
- Cầu Dao Tải Interpact
- Phụ Kiện Aptomat MCCB
- Phụ Kiện Máy Cắt Không Khí ACB
- Thiết Bị Điện Tự Động
-
Thiết Bị Điện Đo Đếm
- Cảm Biến Khuếch Đại
- Đầu Cân Loadcell
- Cảm Biến Siêu Âm
- Cảm Biến Ánh Sáng
- Cảm Biến Màu Sắc
- Cảm Biến Độ Ẩm
- Cảm Biến Tiệm Cận
- Bộ Điều Khiển Đầu Cân Loadcell
- Đồng Hồ Đo Áp Suất
- Đồng Hồ Đo Điện Áp Volt
- Đồng Hồ Đo Dòng Amper
- Đồng Hồ Đo Tần Số
- Đồng Hồ Đo Tốc Độ
- Đồng Hồ Đo Hệ Số Cos Phi
- Đồng Hồ Đo Đa Chức Năng
- Công Tơ Điện
- Bộ Đếm Counter
- Bộ Nguồn- Power Supplies
- Bộ Điều Khiển Nhiệt Độ
- Bộ Điều Khiển Cos Phi
- Bộ Điều Khiển Độ Ẩm
- Biến Dòng Đo Lường
- Cảm Biến Từ
- Cảm Biến Hồng Ngoại
- Cảm Biến Điện Dung
- Cảm Biến Nhiệt Độ
- Cảm Biến Báo Mức
- Cảm Biến Quang
- Cảm Biến Tốc Độ
- Cảm Biến Áp Suất
- Cảm Biến Encoder
- Cảm Biến Lưu Lượng
- Rờ Le Thời Gian Timer
- Rờ Le Áp Suất
- Thiết Bị Điện Bảo Vệ
- Thiết Bị Điện Chiếu Sáng
- Thiết Bị Điều Khiển Từ Xa
- Thiết Bị Điện Dân Dụng
- Động Cơ Motor
- Bộ Điều Khiển - Bộ Nguồn
- Tụ Bù
- Thiết Bị Khí Nén
- Thiết Bị Điện Khác
- Tủ Điện
- Thiết Bị Phòng Sạch
- Máy Hàn
-
Phụ Kiện Tủ Điện
- Thanh Ray Nhôm
- Termino
- Dây Xoắn
- Thang Cáp Máng Cáp
- Van Solenoid
- Thanh Đồng Busbar
- Nút Nhấn-Push Button
- Đèn Báo Pilot Light
- Phốt Bơm Nước
- Thanh Trung Tính
- Công Tắc Xoay - Tay Gạt
- Ruột Gà
- Ống Co Nhiệt
- Máng Điện Trunking
- Phíp Cách Điện
- Đầu Cos
- Phích Cắm Công Nghiệp
- Ổ Cắm Công Nghiệp
- Cầu Chì Fuse
- Cầu Đấu Terminal
- Dây Rút
- Còi Báo Động
- Gối Đỡ Busbar
- Quạt Hút
- Công Tắc Hành Trình
- Phụ Kiện Lưới Điện
- Dụng Cụ Thi Công
- Đồng Hồ Nước
- Xem thêm danh mục Đóng lại
Lọc sản phẩm
Thương hiệu
- Koino
- Sarah
- Yokogawa
- Hender
- Degson
- Arinco
- Endress Hauser
- Hatari
- Tayee
- RKG
- EARU
- LightStar
- Yongsung
- Eaton
- STNC
- Festo
- OBO
- Candino
- Finder
- Minjin
- Seneca
- Iek
- Divec
- Winpark
- Togi
- Smartgen
- Ledvance
- Baumer
- Hyuphwa
- Elco
- Epsivo
- CKD
- Huyu
- YJX
- Kentech
- Julong
- Havells
- Gestar
- Lazico
- Nano
- Young Hwa
- Sigma
- Sinee
- Keller
- MotoPower
- Puty
- Ecosmart
- Arise
- Socomec
- Tuấn Ân
- Apollo
- Nam Việt
- Azbil
- Rockwell
- Connectwell
- Gongniu
- Autoda
- Ston
- Tefal
- Datalogic
- Weintek
- Pansong
- Kawasan
- Inovance
- Andeli
- Tocos
- Wise
- Scik
- Master
- Datexel
- Nexus
- Munhean
- Meanwell
- Tibox
- HPC
- Hi-Tech
- Xinje
- AB Home
- Sensus
- Novus
- ENDA
- Ewelly
- Gimo
- Sunny
- Hasaki
- RKC
- Thinkvert
- Proface
- Oled
- Titec
- Keiki
- Lihhan
- Samkoon
- Bosch
- Mebay
- Drosseln
- Moeller Eaton
- Powtran
- Toho
- GGM
- Hoa Sen
- Bosch Rexroth
- American Denki
- Hoà Thịnh
- KOC
- Dirise
- LGMEC
- Kripal
- Tense
- Moli
- Fatek
- Pepperl Fuchs
- DKM
- Bals
- Morele
- Lucky Star
- Legrand
- Multispan
- Sinotimer
- Nanoco
- Turck
- Honeywell
- Saginomiya
- Done
- Star
- Emko
- Klemsan
- Geovision
- Tengou
- Shinko
- Liva
- Hivero
- Italy
- Sungho
- Nidec
- Sopoka
- Banner
- Sinova
- Tribox
- Tengen
- Wecon
- Allen Bradley
- Kontec
- Ching Hai
- Weinview
- Katko
- Pilz
- Kinco
- Asahi
- EMC
- Daxin
- Dol
- HNC
- Iskra
- Dongwoo
- Ashun
- VMC
- Leuze
- Decom
- Migun
- Elecnova
- Omysu
- KTP
- Shimax
- Boxco
- Temp
- Ecotran
- Laumas
- IFM
- Hunonic
- Telecrane
- Gcool
- Janfa
- Socoho
- Mennekes
- Fumak
- Interheat
- Optex
- Pumpman
- Puls
- Frecon
- Henjel
- Hồng Ký
- Evgeny
- Schneider
- ABB
- Mitsubishi
- LS
- Hitachi
- Shihlin
- Teco
- CET
- Daco
- Sunnom
- Huba
- Kael
- Chen Sun'k
- Hyundai
- KyungDong
- Fuji
- Littelfuse
- Keyence
- Chint
- Himel
- Phoenix
- Wiz
- Dong-A
- CS
- Delixi
- ENC
- Hager
- Cheil
- Chin I
- Autonics
- CKC
- Theben
- Suntree
- Wika
- Fort
- Mikro
- Selec
- Gic
- Omron
- SK
- Fox
- Conotec
- KYE
- Taiwan
- Dosel
- PCE
- Apeks
- Bekonec
- Hanyoung
- Idec
- LAP
- Delab
- Carlo Gavazzi
- Vinakip
- Vicruns
- Veichi
- JowX
- Autosigma
- Warrior
- William
- JLD
- Panasonic
- Dona
- HBT
- Thibidi
- Simon
- Pokavina
- Sofa Star
- Xiaomi
- Winsun
- Airtac
- SMC
- CNTD
- Azumo
- Paragon
- Duhal
- Anfaco
- Heating Lamp
- Taya
- Fotek
- Sino
- Siemens
- Samwha
- Ducati
- Hydra
- Epcos
- Shizuki
- Enerlux
- Nuintek
- Invt
- Yaskawa
- Sumo
- Delta
- Danfoss
- Elmark
- Sunny-XT
- Dolin
- Tung Lee
- Liming
- Toshiba
- Gale
- Asia
- IFan
- Lifan
- Viviko
- Donaifan
- Senko
- HG
- Tân Việt Điện
- Well Lamp
- Sano
- Hawin
- YPC
- Osemco
- Osung
- Kyoritsu
- Hioki
- Meikosha
- Cadivi
- Daphaco
- Evertop
- Thịnh Phát
- Samwon
- Dafaco
- Tài Trường Thành
- Việt Thái
- Vithaico
- Taihan
- Lioa
- Lion
- Cadisun
- Sangjin
- Fadaco
- Kentom
- MPE
- NSK
- Rạng Đông
- Andawo
- Philips
- HPE
- Điện Quang
- Hansinco
- Hwasan
- Robben
- Vitzro
- Emic
- Algodue
- Vinasino
- Ambee
- Osram
- Anly
- Sick
- UNI-D
- JKN
- Parker
- TPC
- Sang-A
- Schuko
- Kale Boreas
- Bourns
- Eurus
- Motec
- Kimono
- UNI-T
- Neoseal
- High Light
- China
- Oriental Motor
- SPG
- Dwyer
- Leipole









